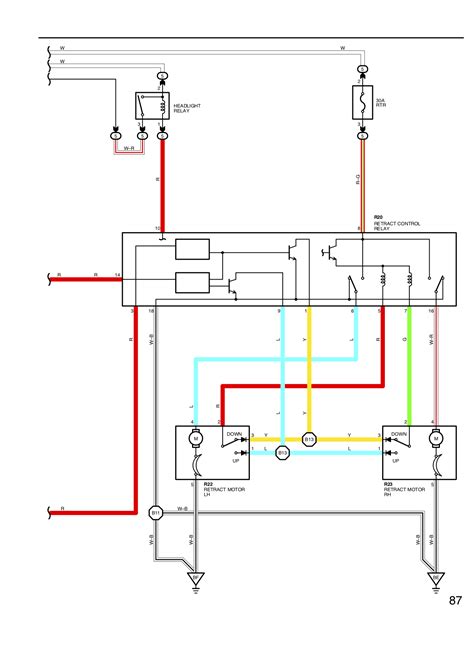
Mr2 Headlight Wiring Guide
File Name: Mr2 Headlight Wiring Guide.pdf
Size: 5961 KB
Type: PDF, ePub, eBook
Category: Book
Uploaded: 2026 Mar 26, 02:29
Rating: 4.6/5 from 888 votes.

Status: AVAILABLE

Last checked: 32 Minutes ago!

In order to read or download Mr2 Headlight Wiring Guide ebook, you need to create a FREE account.

Download Now!

eBook includes PDF, ePub and Kindle version

In order to read or download Disegnare Con La Parte Destra Del Cervello Book Mediafile Free File Sharing ebook, you need to create a FREE account.

Download Now!

eBook includes PDF, ePub and Kindle version