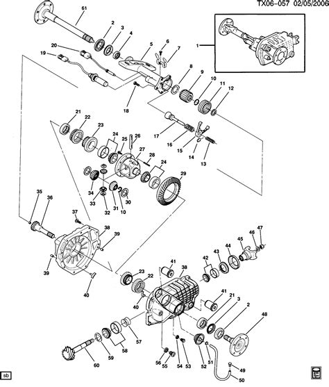
2000 Silverado Front Differential Exploded Diagram
File Name: 2000 Silverado Front Differential Exploded Diagram.pdf
Size: 4285 KB
Type: PDF, ePub, eBook
Category: Book
Uploaded: 2026 Mar 26, 14:29
Rating: 4.6/5 from 895 votes.

Status: AVAILABLE

Last checked: 48 Minutes ago!

In order to read or download 2000 Silverado Front Differential Exploded Diagram ebook, you need to create a FREE account.

Download Now!

eBook includes PDF, ePub and Kindle version

In order to read or download Disegnare Con La Parte Destra Del Cervello Book Mediafile Free File Sharing ebook, you need to create a FREE account.

Download Now!

eBook includes PDF, ePub and Kindle version